
• 定制的模块式设计,并使用标准化CLIPLINE complete附件,性价比高 • 模块式测试端子排结构紧凑,能节省空间 • 集成的坚固开关触点可满足绝大部分严苛要求,触点使用高品质材料,即使在多次触发后也能保证信号电流的传输 • 具有先进的自动变压器短路功能,确保最大的安全性
| 每层的连接数量 | 10 |
| 额定横截面 | 6 mm² |
| 额定浪涌电压 | 4 kV |
| 额定条件下的最大功耗 | 1.31 W |
| 测试电涌电压 | 5 kV |
| 产品类型 | 测试端子条 |
| 连接量 | 10 |
| 行数 | 1 |
| 电位 | 5 |
| 针距 | 8.2 mm |
| 位数 | 5 |
| 过电压类别 | III |
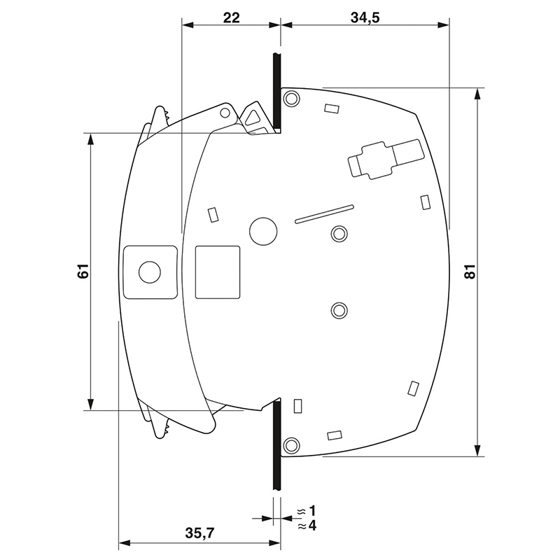
| 宽度 | 73.8 mm |
| 高度 | 81 mm |
| 深度 | 56.5 mm |
| 针距 | 8.2 mm |
| 板厚度 | 1 mm ... 4 mm |
| 安装类型 | 壁式安装 |
| 接线端子安装 | 0.8 Nm ... 1 Nm |
| 颜色 | 灰色 (RAL 7042) |
| 阻燃等级,符合UL 94 | V0 |
| 绝缘材料组 | I |
| 绝缘材料 | PA |
| 低温下的静态绝缘材料应用 | -60 °C |
| 绝缘材料的温度指数(DIN EN 60216-1(VDE 0304-21)) | 125 °C |
| 绝缘材料相对温度指数(电气,UL 746 B) | 130 °C |
| 铁路车辆的防火保护 (DIN EN 45545-2) R22 | HL 1 - HL 3 |
| 铁路车辆的防火保护 (DIN EN 45545-2) R23 | HL 1 - HL 3 |
| 铁路车辆的防火保护 (DIN EN 45545-2) R24 | HL 1 - HL 3 |
| 铁路车辆的防火保护 (DIN EN 45545-2) R26 | HL 1 - HL 3 |
| 量热释热NFPA 130 (ASTM E 1354) | 27,5 MJ/kg |
| 表面可燃性NFPA 130 (ASTM E 162) | 通过 |
| 烟雾比光密度NFPA 130 (ASTM E 662) | 通过 |
| 烟气毒性NFPA 130 (SMP 800C) | 通过 |
| 温度循环 | 192 |
| 结果 | 已通过测试 |
| 连接符合标准 | IEC 60947-7-1 |
| 温度上升要求测试 | 温度上升 ≤ 45 K |
| 结果 | 已通过测试 |
| 短时耐受电流 4 mm² | 300 A 1250 A 150 A 500 A |
| 测试电压设定值 | 1.89 kV |
| 结果 | 已通过测试 |
| 接线端子安装 | 0.8 Nm ... 1 Nm |
| 测试力设定值 | 5 N |
| 结果 | 已通过测试 |
| 规格 | DIN EN 50155 (VDE 0115-200):2008-03 |
| 频谱 | 2类, B级使用寿命测试,在转向架上进行 |
| 频率 | f1 = 5 Hz 到 f2 = 250 Hz |
| ASD等级 | 6.12 (m/s²)²/Hz |
| 加速度 | 3.12g |
| 每轴的测试周期 | 5 h |
| 测试方向 | X-, Y- 与 Z-轴 |
| 结果 | 已通过测试 |
| 规格 | DIN EN 50155 (VDE 0115-200):2008-03 |
| 脉冲波形 | 半弦 |
| 加速度 | 30g |
| 电击时间 | 18 毫秒 |
| 每个方向的电击次数 | 3 |
| 测试方向 | X-, Y- 与 Z-轴(正向与负向) |
| 结果 | 已通过测试 |
| 环境温度(存放/运输) | -25 °C ... 60 °C (短期内(不超过24 小时),-60 °C到+70 °C) |
| 环境温度(组装) | -5 °C ... 70 °C |
| 环境温度(执行) | -5 °C ... 70 °C |
| 允许湿度(存放/运输) | 30 % ... 70 % |
| 剥线长度 | 12 mm |
| 塞规 | A5 |
| 连接符合标准 | IEC 60947-7-1 |
| 刚性导线横截面 | 0.2 mm² ... 10 mm² |
| 横截面 AWG | 24 ... 8 (按IEC标准修订) |
| 柔性导线横截面 | 0.2 mm² ... 10 mm² |
| 导线横截面,柔性[AWG] | 24 ... 8 (按IEC标准修订) |
| 柔性导线横截面(套管不带塑料绝缘管) | 0.25 mm² ... 6 mm² |
| 柔性导线横截面(带塑料绝缘管的套管) | 0.25 mm² ... 6 mm² |
| 2根具有相同横截面的导线,柔性,带TWIN套管及塑料套管 | 0.5 mm² ... 2.5 mm² |
| 最大负载电流 | 30 A (当连接截面积为10 mm²的导线时) |
| 额定电压 | 400 V AC/DC |
| 额定横截面 | 6 mm² |
| 螺纹 | M4 |
| 紧固扭矩 | 1.5 ... 1.8 Nm |
| 2根横截面相同的导线,刚性导线 | 0.2 mm² ... 2.5 mm² |
| 2根横截面相同的导线,柔性导线 | 0.2 mm² ... 2.5 mm² |
| 2根具有相同横截面的导线,柔性,带套管但不带塑料套管 | 0.25 mm² ... 1.5 mm² |
| 旋转速度 | 10 rpm |
| rpm | 135 |
| 导线横截面/重量 | 0.2 mm² / 0.2 kg 10 mm² / 2 kg 6 mm2 / 1.4 kg |
| 结果 | 已通过测试 |
| 暴露时间 | 30 s |
| 结果 | 已通过测试 |
| 结果 | 已通过测试 |
| 测试电压设定值 | 4.8 kV |
| 结果 | 已通过测试 |
| 开口式侧板 | 否 |