
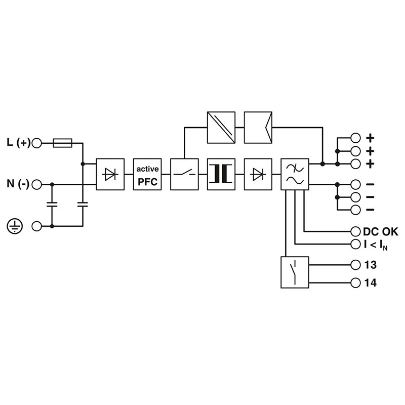
• 通过静态POWER BOOST功率裕度,可持久提供高达额定电流1.5倍的电流,因此能可靠地启动大型负载 • 带动态功率裕度SFB(选择性熔断)技术的标准断路器快速触发,最多为6次,额定电流为12 ms • 用于最大的系统可用性IQ技术可确保最高的系统可靠性。 • 预防性功能监测
| 电源系统配置 | 星形网络 |
| 额定输入电压范围 | 100 V AC ... 240 V AC |
| 输入电压范围 | 85 V AC ... 264 V AC 110 V DC ... 350 V DC (typ. 90 V DC (UL 508: ≤ 300 V DC)) |
| 效率 | > 90 % (230V AC和额定值) |
| 额定输出电压 | 24 V DC ±1 % |
| 输出特性 | U/I |
| 热磁断路器类型 | B2 / B4 / C2 |
| 衰减 | 60 °C ... 70 °C (2.5 %/K) |
| 反馈电压电阻 | ≤ 35 V DC |
| 输出端处的过电压保护 (OVP) | < 35 V DC |
| 控制偏差 | < 2 % (负载的变化,动态10 % ... 90 %) < 0.1 % (输入电压的变化范围为±10 %) < 1 % (负载的变化,静态10 % ... 90 %) |
| 输出电压( USet )的设置范围 | 18 V DC ... 29.5 V DC (> 24 V DC,稳定容量限制) |
| 额定输出电流( IN ) | 5 A (-25 °C ... 60 °C,U OUT = 24 V DC) |
| POWER BOOST (IBoost) | 7.5 A (-25 °C ... 40 °C恒定,UOUT = 24 V DC) |
| 选择性熔断 (ISFB) | 30 A (12 毫秒) |
| 最大额定负载功率损耗 | 15 W |
| 串连 | 是 |
| 连接方式 | 可插拔螺钉连接 |
| 刚性导线最小横截面 | 0.2 mm² |
| 刚性导线最大横截面 | 2.5 mm² |
| 柔性导线最小横截面 | 0.2 mm² |
| 柔性导线最大横截面 | 2.5 mm² |
| 最小导线横截面AWG | 20 |
| 最大导线横截面AWG | 12 |
| 剥线长度 | 7 mm |
| 螺纹 | M3 |
| 最小紧固扭矩 | 0.5 Nm |
| 最大紧固扭矩 | 0.6 Nm |
| 连接方式 | 可插拔螺钉连接 |
| 刚性导线最小横截面 | 0.2 mm² |
| 刚性导线最大横截面 | 2.5 mm² |
| 柔性导线最小横截面 | 0.2 mm² |
| 柔性导线最大横截面 | 2.5 mm² |
| 最小导线横截面AWG | 20 |
| 最大导线横截面AWG | 12 |
| 剥线长度 | 7 mm |
| 螺纹 | M3 |
| 最小紧固扭矩 | 0.5 Nm |
| 最大紧固扭矩 | 0.6 Nm |
| 相数 | 1.00 |
| 绝缘电压输入/输出 | 4 kV AC (类型测试) |
| 产品类型 | 电源 |
| 产品系列 | QUINT POWER |
| MTBF (IEC 61709, SN 29500) | > 1134000 h (25 °C) > 270000 h (60 °C) > 635000 h (40 °C) |
| 保护等级 | I |
| 污染等级 | 2 |
| 宽度 | 40 mm |
| 高度 | 130 mm |
| 深度 | 125 mm |
| 安装类型 | DIN导轨安装 |
| 组装说明 | 可并排安装:PN ≥50 %,水平间距5 mm,若有带点部件,则距离 15 mm,垂直间距50 mm 可并排安装:PN <50 %,水平间距0 mm,顶部垂直距离40 mm,底部垂直距离20 mm |
| 安装位置 | 水平DIN导轨NS35,EN60715 |
| 带保护涂层 | 否 |
| 外壳材料 | 金属 |
| 侧边组件类型 | 铝 |
| 盖罩型号 | 镀锌薄钢板,无铬( VI) |
| 保护等级 | IP20 |
| 环境温度(运行) | -25 °C ... 70 °C (> 60 °C Derating: 2,5 %/K) |
| 环境温度(存放/运输) | -40 °C ... 85 °C |
| 气候等级 | 3K3( 符合EN 60721标准) |
| 允许的最大相对湿度(操作) | ≤ 95 % (25 °C 时,无冷凝) |
| 电击 | 18 ms,30g,在每个空间方向(符合IEC 60068-2-27) |
| 振动(操作) | < 15 Hz, 振幅±2.5 mm( 符合IEC 60068-2-6) 15 Hz ... 150 Hz、2.3g、90 min. |
| 最大高度 | 5000 m |
| 环境温度(调试类型测试) | -40 °C |
| 轨道应用 | EN 50121-4 EN 50121-3-2 |
| CSA | CAN/CSA-C22.2 No. 60950-1-07 CSA-C22.2 No. 107.1-01 |
| 低压指令 | 符合低电压指令2014/35/EC |
| 噪音排放的电磁兼容要求 | EN 61000-6-3 EN 61000-6-4 |
| 抗噪的电磁兼容要求 | EN 61000-6-1 EN 61000-6-2 |
| 电磁兼容性 | 符合2014/30/EU电磁兼容指令 |
| 标准/规程 | EN 61000-4-2 |
| 触点放电 | 8 kV (强度测试4) |
| 空气放电 | 15 kV (强度测试4) |
| 备注 | 标准 A |
| 标准/规程 | EN 61000-4-3 |
| 频率范围 | 80 MHz ... 1 GHz |
| 测试场强 | 20 V/m (强度测试 3) |
| 备注 | 标准 A |
| 标准/规程 | EN 61000-4-4 |
| 输入 | 4 kV (强度测试4 - 非对称) |
| 输出 | 2 kV (强度测试3 - 非对称) |
| 备注 | 标准 A |
| 信号 | 2 kV (强度测试4 - 非对称) |
| 标准/规程 | EN 61000-4-5 |
| 输入 | 1 kV (强度测试2 - 对称) 2 kV (强度测试3 - 非对称) |
| 备注 | 标准 B |
| 标准/规程 | EN 61000-4-6 |
| I/O/S | 非对称 |
| 频率范围 | 0.15 MHz ... 80 MHz |
| 备注 | 标准 A |
| 电压 | 10 V (强度测试 3) |
| 标准/规程 | EN 61000-6-3 |
| 无线电干扰电压符合EN 55011标准 | EN 55011(EN 55022)B 类,应用领域: 工业和民用 |
| 无线电干扰符合EN 55011标准 | EN 55011(EN 55022) B类,应用领域: 工业和民用 |
| 标准A | 规定限度内的正常操作行为。 |
| 标准B | 可通过设备自我恢复的操作性能临时性降级。 |
| EN 62477-1 | III |
| 最大启动电流 | 0.5 A 1 A |
| 冲击电流 | < 15 A |
| 信号类型 | LED 继电器触点 有源开关输出 |
| 额定功耗 | 145 VA |
| 电耗量 | 1.2 A (120 V AC) 0.6 A (220 V DC) 1.3 A (110 V DC) 0.6 A (230 V AC) |
| 典型响应时间 | < 0.15 s |
| 电源电压的电压类型 | AC/DC |
| 电网缓冲时间 | > 55 ms (120 V AC) > 55 ms (230 V AC) |
| 推荐使用的输入保护断路器 | 6 A ... 16 A (AC: 特性B、C、D、K) |
| PE放电电流 | < 3.5 mA |
| 并连 | 是,用于冗余和增加容量 |
| 残波 | < 40 mVSS (额定值) |
| 上升时间 | < 0.1 s (UOUT (10 % ... 90 %)) |
| 最大空载功耗 | 3 W |
| 刚性导线最小横截面 | 0.2 mm² |
| 刚性导线最大横截面 | 2.5 mm² |
| 柔性导线最小横截面 | 0.2 mm² |
| 柔性导线最大横截面 | 2.5 mm² |
| 最小导线横截面AWG | 20 |
| 最大导线横截面AWG | 12 |
| 螺纹 | M3 |
| 最小紧固扭矩 | 0.5 Nm |
| 最大紧固扭矩 | 0.6 Nm |
| 连接方式 | 可插拔螺钉连接 |
| 发射干扰 | EN 55011 (EN 55022) |
| 输入熔断器 | 5 A (慢熔断,内部) |
| 输出功率 | 120 W |
| 输出说明 | UOUT>0.9xUN : 高信号 |
| 开关电压范围 | 18 V DC ... 24 V DC |
| 最大启动电流 | ≤ 20 mA (防短路保护) |
| 连续负载电流 | ≤ 20 mA |
| 输出说明 | IOUTN: 高信号 |
| 开关电压范围 | 18 V DC ... 24 V DC |
| 最大启动电流 | 20 mA (防短路保护) |
| 输出电压 | + 24 V DC |
| 连续负载电流 | ≤ 20 mA |
| 输出说明 | 继电器触点, UOUT>0.9xUN :触点吸合 |
| 最大切换电压 | 30 V AC 24 V DC |
| 状态显示 | UOUT>0.9xUN :“DC OK”LED 绿色 |
| 关于状态显示的注意事项 | UOUT<0.9xUN :"DC OK" LED闪烁 IOUTN: LED ON |
| 状态显示 | IOUT>IN :LED“BOOST”黄色 |
| 关于状态显示的注意事项 | UOUT<0.9xUN :"DC OK" LED闪烁 |
| 状态显示 | UOUT>0.9xUN :“DC OK”LED 绿色 |
| 宽度 | 122 mm |
| 高度 | 130 mm |
| 深度 | 43 mm |
| 标准——安全绝缘 | IEC 61010-2-201 |
| 最大介电强度 | 300 V AC |
| AC频率范围 | 45 Hz ... 65 Hz |
| DC频率范围 | 0 Hz |
| 允许备用熔断器 | B6 B10 B16 AC: |
| 允许用的DC备用熔断器 | DC: 连接一个合适的熔断器 |
| 连续负载电流 | ≤ 1 A |
| HART FSK Physical Layer Test Specification Compliance | 符合输出电压UOut |
| 标准——主协波电流限值 | EN 61000-3-2 |
| 标准——电气安全 | IEC 61010-2-201 (SELV) |
| 标准 - 设备安全 | BG( 设计测试) |
| 标准——安全超低电压 | IEC 61010-1 (SELV) IEC 61010-2-201 (PELV) |
| 标准 - 测量、控制和实验室使用的设备的安全 | IEC 61010-1 |
| 认证——适用于半导体工业的需求,符合干线压降 | SEMI F47-0706 一致性证书 |
| DeviceNet认证 | DeviceNet™ 电源一致性测试 |
| 造船工业许可 | DNV GL (EMC A), ABS, LR, RINA, NK, BV |
| 绝缘电压输出/PE | 500 V DC (常规测试) |
| 绝缘电压输入/PE | 3.5 kV AC (类型测试) 2 kV AC (常规测试) |
| 标准——用于医疗的认证 | IEC 60601-1,2 x MOOP |
| 功率因数(cos phi) | 0.94 |
| 冲击电流积分 (I2t) | < 1 A2s |