
• 通过静态POWER BOOST功率裕度长时间提供高达125%于额定电流的电流,可靠启动大型负载 • 预防性功能监视机制在故障发生前提示临界工作状态 • 持续电压:输出电压即使在较长电缆末端也可再次生成 • 可支持对多种电压级别的转换 • 电气隔离:用于设置独立供电的系统
| 额定输入电压范围 | 60 V DC ... 72 V DC |
| 输入电压范围 | 42 V DC ... 96 V DC |
| 电源电压的电压类型 | DC |
| 宽域输入 | 是 |
| DC输入电压范围 | 42 V DC ... 96 V DC |
| 电耗量 | 5.6 A (60 V DC) 4.7 A (72 V DC) |
| 冲击电流 | < 9 A (典型) |
| 电网缓冲时间 | 典型值 10 ms (60 V DC) |
| 冲击电流积分 (I2t) | 0.64 A2s |
| 效率 | > 91 % (UIN 60 V DC / UOUT 24 V DC) > 91 % (UIN 72 V DC / UOUT 24 V DC) |
| 衰减 | 60 °C ... 70 °C (2.5 %/K) |
| 最大额定负载功率损耗 | 24 W (UIN 60 V DC) |
| 串连 | 是 |
| 连接方式 | 螺钉连接 |
| 刚性导线最小横截面 | 0.2 mm² |
| 刚性导线最大横截面 | 2.5 mm² |
| 柔性导线最小横截面 | 0.2 mm² |
| 柔性导线最大横截面 | 2.5 mm² |
| 最小导线横截面AWG | 24 |
| 最大导线横截面AWG | 12 |
| 剥线长度 | 7 mm |
| 螺纹 | M3 |
| 最小紧固扭矩 | 0.5 Nm |
| 最大紧固扭矩 | 0.6 Nm |
| 相数 | 1.00 |
| 绝缘电压输入/输出 | 1.5 kV (类型测试) 1 kV (常规测试) 1 kV (类型测试) |
| 产品系列 | QUINT POWER |
| MTBF (IEC 61709, SN 29500) | > 1349000 h (25 °C) > 765000 h (40 °C) |
| 产品审核修订 | 02 |
| 保护等级 | I |
| 污染等级 | 2 |
| 宽度 | 48 mm |
| 高度 | 130 mm |
| 深度 | 125 mm |
| 左侧/右侧安装距离 | 0 mm / 0 mm (≤ 70 °C) |
| 顶部/底部安装距离 | 50 mm / 50 mm (≤ 70 °C) |
| 左侧/右侧安装距离(有效) | 15 mm / 15 mm (≤ 70 °C) |
| 顶部/底部安装距离(有效) | 50 mm / 50 mm (≤ 70 °C) |
| 安装类型 | DIN导轨: 35 mm |
| 组装说明 | 可并排安装:PN ≥50 %,水平间距5 mm,若有带点部件,则距离 15 mm,垂直间距50 mm 可并排安装:PN <50 %,水平间距0 mm,顶部垂直距离40 mm,底部垂直距离20 mm |
| 安装位置 | 水平DIN导轨NS35,EN60715 |
| 带保护涂层 | 否 |
| 外壳材料 | 金属 |
| 外壳类型 | 铝 (AlMg3) |
| 盖罩型号 | 镀锌薄钢板,无铬( VI) |
| 标准——电源安装中所用的电子设备以及在电源安装中电子设备 的组装 | EN 50178/VDE 0160 (PELV) |
| 标准——电气安全 | EN 60950-1/VDE 0805 (SELV) |
| 标准——安全超低电压 | EN 60950-1 (SELV) EN 60204 (PELV) |
| 轨道应用 | EN 50121-4 |
| 噪音排放的电磁兼容要求 | EN 61000-6-3 EN 61000-6-4 |
| 抗噪的电磁兼容要求 | EN 61000-6-1 EN 61000-6-2 |
| 标准/规程 | EN 61000-4-2 |
| 触点放电 | 8 kV (强度测试4) |
| 空气放电 | 15 kV (强度测试4) |
| 备注 | 标准 A |
| 标准/规程 | EN 61000-4-3 |
| 频率范围 | 80 MHz ... 1 GHz |
| 测试场强 | 20 V/m (强度测试 3) |
| 备注 | 标准 A |
| 标准/规程 | EN 61000-4-4 |
| 输入 | 4 kV (强度测试4 - 非对称) |
| 输出 | 2 kV (强度测试3 - 非对称) |
| 备注 | 标准 A |
| 信号 | 2 kV (强度测试4 - 非对称) |
| 标准/规程 | EN 61000-4-5 |
| 输入 | 0.5 kV (强度测试1 - 对称) 0.5 kV (强度测试1 - 非对称) |
| 备注 | 标准 B |
| 标准/规程 | EN 61000-4-6 |
| I/O/S | 非对称 |
| 频率范围 | 0.9 MHz ... 80 MHz |
| 备注 | 标准 A |
| 电压 | 10 V (强度测试 3) |
| 标准/规程 | EN 61000-6-3 |
| 无线电干扰电压符合EN 55011标准 | EN 55011(EN 55022)B 类,应用领域: 工业和民用 |
| 无线电干扰符合EN 55011标准 | EN 55011(EN 55022) B类,应用领域: 工业和民用 |
| 标准A | 规定限度内的正常操作行为。 |
| 标准B | 可通过设备自我恢复的操作性能临时性降级。 |
| 环境温度(运行) | -25 °C ... 70 °C (> 60 °C Derating: 2,5 %/K) |
| 环境温度(存放/运输) | -40 °C ... 85 °C |
| 保护等级 | IP20 |
| 环境温度(调试类型测试) | -40 °C |
| 气候等级 | 3K3( 符合EN 60721标准) |
| 允许的最大相对湿度(操作) | ≤ 95 % (25 °C 时,无冷凝) |
| 电击 | 18 ms,30g,在每个空间方向(符合IEC 60068-2-27) |
| 振动(操作) | < 15 Hz, 振幅±2.5 mm( 符合IEC 60068-2-6) 15 Hz ... 150 Hz,2.3g,90 min. |
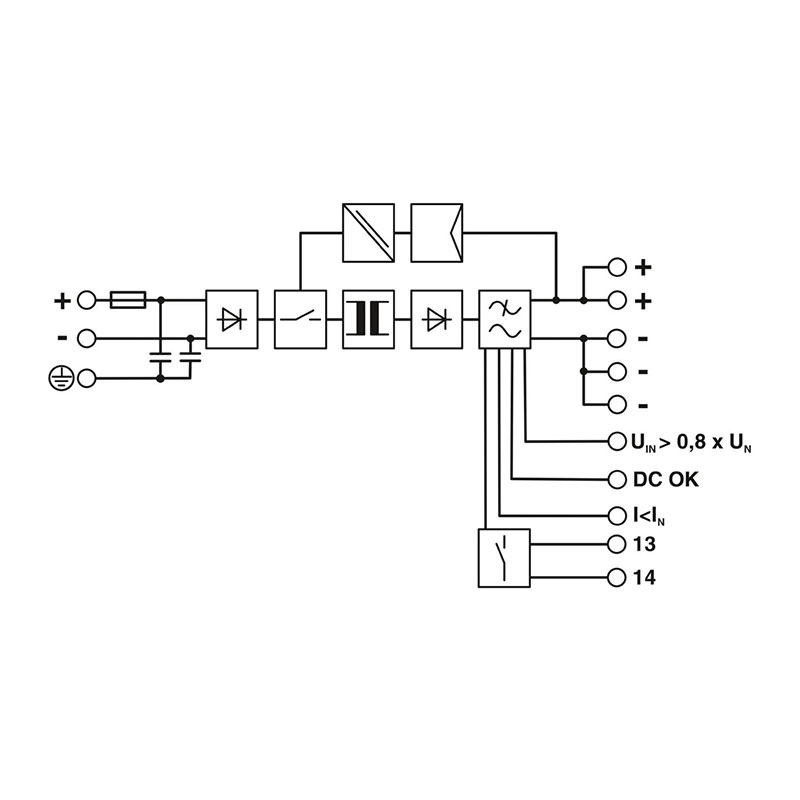
| 信号类型 | LED 有源开关输出 继电器触点 |
| 主动电流限制 | 18 A |
| 最大电容负载 | 无限 |
| 额定输出电压 | 24 V DC ±1 % |
| 防短路保护 | 是 |
| 并连 | 是,用于冗余和增加容量 |
| 反馈电压电阻 | 35 V DC |
| 输出端处的过电压保护 (OVP) | < 35 V DC |
| 残波 | < 20 mVSS |
| 上升时间 | < 2 ms (UOUT (10 % ... 90 %)) |
| 最大空载功耗 | 4 W (UIN 60 V DC) |
| 刚性导线最小横截面 | 0.2 mm² |
| 刚性导线最大横截面 | 2.5 mm² |
| 柔性导线最小横截面 | 0.2 mm² |
| 柔性导线最大横截面 | 2.5 mm² |
| 最小导线横截面AWG | 24 |
| 最大导线横截面AWG | 12 |
| 螺纹 | M3 |
| 最小紧固扭矩 | 0.5 Nm |
| 最大紧固扭矩 | 0.6 Nm |
| 热磁断路器类型 | B2 / B4 / B6 |
| 防止极性逆转 | ≤ 30 V DC |
| 输入熔断器 | 10 A 150 V DC (内置(设备保护)) |
| 输出功率 | 240 W |
| 峰值切换电压额定负载 | < 10 mVSS (20 MHz) |
| 输出说明 | UOUT>0.9xUN : 高信号 |
| 开关电压范围 | 18 V DC ... 24 V DC |
| 最大启动电流 | < 20 mA (防短路保护) |
| 输出说明 | IOUTN: 高信号 |
| 开关电压范围 | 18 V DC ... 24 V DC |
| 最大启动电流 | < 20 mA (防短路保护) |
| 输出说明 | UIN > 19.2 V:高信号 |
| 开关电压范围 | 18 V DC ... 24 V DC |
| 最大启动电流 | ≤ 20 mA (防短路保护) |
| 输出说明 | 继电器 |
| 输出电压 | ≤ 30 V AC/DC |
| 最大启动电流 | ≤ 100 mA |
| 状态显示 | “DC OK”LED 绿色 |
| 颜色 | 绿色 |
| 状态显示 | "BOOST" LED( 黄色)/IOUT > IN :LED亮 |
| 颜色 | 黄色 |
| 关于状态显示的注意事项 | LED灯亮 |
| 状态显示 | LED“UIN < 0.8 x UN V”黄色/UIN < 0.8 x UN V DC:LED亮 |
| 颜色 | 黄色 |
| 关于状态显示的注意事项 | LED灯亮 |
| 关于状态显示的注意事项 | UOUT > 0.9 x UN :触点闭合 |
| 宽度 | 122 mm |
| 高度 | 130 mm |
| 深度 | 51 mm |
| 标准——安全绝缘 | DIN VDE 0100-410 |
| 输出特性 | U/I |
| 连接方式 | 螺钉连接 |
| 刚性导线最小横截面 | 0.2 mm² |
| 刚性导线最大横截面 | 2.5 mm² |
| 柔性导线最小横截面 | 0.2 mm² |
| 柔性导线最大横截面 | 2.5 mm² |
| 最小导线横截面AWG | 24 |
| 最大导线横截面AWG | 12 |
| 剥线长度 | 8 mm |
| 螺纹 | M3 |
| 最小紧固扭矩 | 0.5 Nm |
| 最大紧固扭矩 | 0.6 Nm |
| 输出电压( USet )的设置范围 | 18 V DC ... 29.5 V DC (> 24 V DC,稳定容量限制) |
| 额定输出电流( IN ) | 10 A (-40 °C ... 60 °C) |
| POWER BOOST (IBoost) | 12.5 A (-40 °C ... 40 °C 恒定,UOUT = 24 V DC) |
| 选择性熔断 (ISFB) | 60 A (12 毫秒) |