
| 额定输入电压 UN | 110 V DC |
| 输入电压范围 | 77 V DC ... 247.5 V DC |
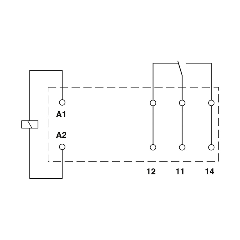
| 驱动和功能 | 单稳态 |
| 驱动(极性) | 无极性 |
| 典型响应时间 | 8 ms |
| 线圈电压 | 110 V DC |
| 典型释放时间 | 6 ms |
| 线圈电阻 | 28.8 kΩ ±12 % |
| UN下的典型输入电流 | 3.8 mA |
| 连接方式 | 插拔/焊接 |
| 额定条件下的最大功耗 | 0.4 W |
| 测试电压 (线圈/触点) | 5 kV AC (50 Hz,1分钟,线圈/触点) |
| 额定绝缘电压 | 250 V AC |
| 额定过电压 | 4 kV |
| 使用寿命,电气方面 | 参见曲线图 |
| 产品类型 | 单个继电器 |
| 操作模式 | 100%工作因数 |
| 机械寿命 | 1x 107 循环 |
| 产品审核修订 | 01 |
| 最近一次数据维护日期 | 17.05.2024 |
| 污染等级 | 3 |
| 过电压类别 | III |
| 绝缘 | 基础隔离 |
| 宽度 | 12.7 mm |
| 高度 | 29 mm |
| 深度 | 15.7 mm |
| 安装类型 | 插拔式安装 |
| 安装位置 | 任意 |
| 螺纹类型 | () |
| 颜色 | 橙色 (RAL 2003) |
| 保护等级 | RT II |
| 环境温度(运行) | -40 °C ... 85 °C |
| 环境温度(存放/运输) | -40 °C ... 85 °C |
| 标准/规程 | IEC 60664 EN 61810-1 |
| 开关容量 | 2 A (24 V、DC13时) 1.5 A (230 V、AC15时) |
| 标识 | ISA-S71.04. G3 Harsh Group EN 60068-2-60 |
| 触点类型 | 1 个转换触点 |
| 开关触点类型 | 单触点 |
| 触点材料 | AgNi |
| 最大切换电压 | 250 V AC/DC |
| 最小切换电压 | 5 V (当24 mA时) |
| 限制连续电流 | 16 A |
| 最大启动电流 | 30 A (300 ms) |
| 最小切换电流 | 10 mA (12 V时) |
| 最大额定功率值(电阻负载) | 384 W (24 V DC) 4000 VA (可用于250 V AC) 80 W (可用于220 V DC) 50 W (可用于110 V DC) 48 W (可用于60 V DC) 58 W (可用于48 V DC) |