
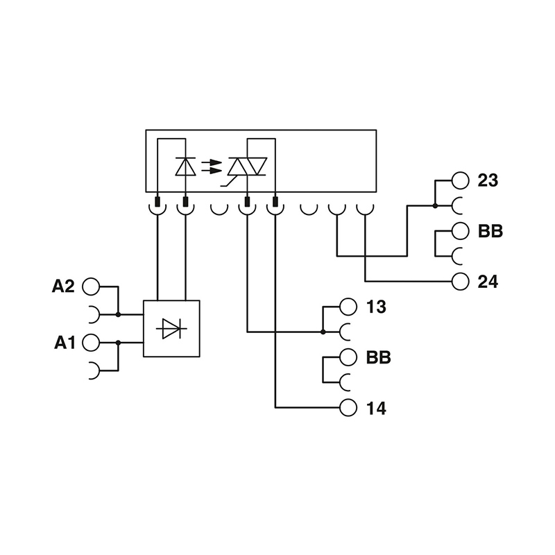
• 用于对控制器和执行器进行耦合的带固态继电器的PLC执行器系列,如电机,接触器,阀门等。
| 保护电路 | 极性保护; 极性保护二极管 备用二极管; 续流二极管 |
| 开关阈值“0”信号,参考UN | ≤ 0.4 |
| 开关阈值“1”信号,参考UN | ≥ 0.8 |
| 典型响应时间 | 10 ms |
| 典型关闭时间 | 10 ms |
| 工作电压显示 | 黄色LED |
| 额定电压 (“热”插拔固态继电器) | 24 V DC |
| 额定操作电压UC | 24 V DC |
| 额定操作电流IC | 9 mA |
| UC 的电压范围 | 0.8 ... 1.2 |
| 触点类型 | 1个N/O 触点 |
| 数字量输出设计 | 电子 |
| 输出电压范围 | 24 V AC ... 253 V AC |
| 限制连续电流 | 2 A (参见温度负荷曲线) |
| 最大限制连续电流下的电压降 | 1 V |
| 输出电路 | 2线制浮地,零电压开关 |
| 保护电路 | RC元件 |
| 最小负载电流 | 25 mA |
| 漏电流 | 1 mA |
| 最小相角cos phi | 0.5 |
| 最大负载值 | 4 A2s (tp = 10 ms,25 °C時) |
| 电涌电流 | 30 A (tp = 10 ms) |
| 峰值静态电压 | 600 V |
| 剥线长度 | 8 mm |
| 螺纹 | M3 |
| 刚性导线横截面 | 0.14 mm² ... 2.5 mm² |
| 柔性导线横截面 | 0.14 mm² ... 2.5 mm² 2x 0.5 mm² ... 1.5 mm² (TWIN套管) 0.2 mm² ... 2.5 mm² (单套管) |
| 连接方式 | 螺钉连接 |
| 额定条件下的最大功耗 | 0.22 W |
| 测试电压 (输入/输出) | 2.5 kVrms (50 Hz,1 min) |
| 产品类型 | 固态继电器模块 |
| 产品系列 | PLC-INTERFACE |
| 应用 | 输出功能 |
| 操作模式 | 100%工作因数 |
| 产品审核修订 | 04 |
| 最近一次数据维护日期 | 03.06.2024 |
| 宽度 | 14 mm |
| 高度 | 80 mm |
| 深度 | 94 mm |
| 安装类型 | DIN导轨安装 |
| 组装说明 | 无间距排列 |
| 螺纹类型 | () |
| 颜色 | 灰色 (RAL 7042) |
| 阻燃等级,符合UL 94 | V0 (外壳) |
| 低压指令 | 符合低电压指令 |
| 电磁兼容性 | 符合EMC条例 |
| 环境温度(运行) | -20 °C ... 60 °C |
| 环境温度(存放/运输) | -25 °C ... 85 °C |
| 保护等级 (继电器) | IP20 |
| 海拔 | ≤ 2000 m |
| 保护等级 (安装位置) | ≤ IP54 |
| 可连接导向横截面 AWG | 26 ... 14 |
| 绝缘 | 基础隔离 |
| 过电压类别 | III |
| 污染等级 | 2 |
| 额定绝缘电压 | 250 V AC |
| 额定过电压 | 4 kV |
| 证书 | UKCA合规 |
| 证书 | TAE0000196 |
| 标识 | ISA-S71.04. G3 Harsh Group EN 60068-2-60 |
| Temperature | D |
| Humidity | A |
| 振动 | B/C |
| EMC | B |
| Enclosure | Required protection according to the Rules shall be provided upon installation on board |
| 发送频率 | 10 Hz |
| 紧固扭矩 | 0.6 Nm ... 0.8 Nm |
| 证书 | CE合规 |
| 标准/规程 | IEC 60947-5-1 |