
| 额定输入电压 UN | 230 V AC 220 V DC |
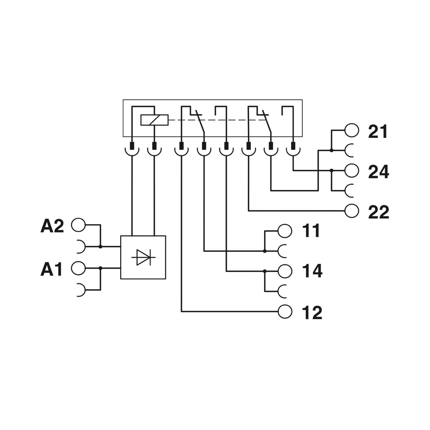
| 触点类型 | 2个转换触点 |
| 开关触点类型 | 单触点 |
| 触点材料 | AgNi |
| 最大切换电压 | 250 V AC/DC (当相邻两个模块的相同接线端子间的电压大于250 V(L1、L2、L3),必须使用隔板PLC-ATP。 FBST 8-PLC... 或 . ..FBST 500...用于等电位桥接) |
| 最小切换电压 | 5 V AC/DC (10 mA) |
| 限制连续电流 | 6 A |
| 最大启动电流 | 15 A (300 ms) |
| 最小切换电流 | 10 mA (5 V) |
| 最大额定功率值(电阻负载) | 140 W (24 V DC) 1500 VA (可用于250 V AC) 60 W (可用于220 V DC) 44 W (可用于110 V DC) 60 W (可用于60 V DC) 85 W (可用于48 V DC) |
| 剥线长度 | 10 mm |
| 刚性导线横截面 | 0.14 mm² ... 2.5 mm² |
| 柔性导线横截面 | 0.14 mm² ... 2.5 mm² 2x 0.5 mm² ... 1 mm² (TWIN套管) 0.2 mm² ... 2.5 mm² (单套管) |
| 连接方式 | 直插式连接 |
| 额定条件下的最大功耗 | 0.99 W |
| 额定过电压 | 6 kV |
| 产品类型 | 继电器模块 |
| 产品系列 | PLC-INTERFACE |
| 应用 | 通用 |
| 操作模式 | 100%工作因数 |
| 机械寿命 | 3x 107开关次数 |
| 产品审核修订 | 08 |
| 最近一次数据维护日期 | 05.07.2024 |
| 污染等级 | 3 |
| 过电压类别 | III |
| 绝缘 | 输入/输出的安全隔离 |
| 宽度 | 14 mm |
| 高度 | 80 mm |
| 深度 | 94 mm |
| 安装类型 | DIN导轨安装 |
| 组装说明 | 无间距排列 |
| 安装位置 | 任意 |
| 颜色 | 灰色 (RAL 7042) |
| 阻燃等级,符合UL 94 | V0 (外壳) |
| 环境温度(运行) | -40 °C ... 55 °C |
| 环境温度(存放/运输) | -40 °C ... 85 °C |
| 保护等级 (继电器底座) | IP20 (继电器底座) |
| 保护等级 (继电器) | RT III (继电器) |
| 标准/规程 | IEC 60947-5-1 |
| 证书 | CE合规 |
| 低压指令 | 符合低电压指令 |
| 电磁兼容性 | 符合EMC条例 |
| 可连接导向横截面 AWG | 26 ... 14 |
| 开关容量 | 2 A (24 V、DC13时) 3 A (250 V、AC15时) 0.2 A (250 V、DC13时) 3 A (120 V、AC15时) 3 A (24 V、AC15时) |
| 工作电压显示 | 黄色LED |
| 典型响应时间 | 7 ms |
| 典型释放时间 | 10 ms |
| 证书 | UKCA合规 |
| 证书 | TAE0000196 |
| 标识 | ISA-S71.04. G3 Harsh Group EN 60068-2-60 |
| Temperature | D |
| Humidity | A |
| 振动 | B/C |
| EMC | B |
| Enclosure | Required protection according to the Rules shall be provided upon installation on board |
| 输入电压范围 | 179.4 V AC ... 264.5 V AC (20 °C) 171.6 V DC ... 264 V DC (20 °C) |
| 额定电压 (“热”插拔电磁式继电器) | 110 V DC |
| 驱动和功能 | 单稳态 |
| 驱动(极性) | 极化 |
| UN下的典型输入电流 | 4.3 mA (可用于220 V DC) 4.5 mA (230 V AC) |