
| 额定输入电压 UN | 230 V AC |
| 输入电压范围 | 179.4 V AC ... 317.4 V AC (20 °C) |
| 干线频率 | 50/60 Hz |
| 驱动和功能 | 单稳态 |
| 驱动(极性) | 无极性 |
| 典型响应时间 | 5 ms ... 15 ms (取决于相位) |
| 典型释放时间范围 | 5 ms ... 20 ms (取决于相位) |
| 状态显示 | LED (黄色) |
| UN下的典型输入电流 | 6.5 mA |
| UN下的典型输入电流 | 6.5 mA |
| UN下的典型输入电流 | 6.5 mA |
| 连接方式 | 直插式连接 |
| 额定条件下的最大功耗 | 1.5 W |
| 测试电压 (线圈/触点) | 2.5 kVrms (50 Hz,1分钟,线圈/触点) |
| 额定绝缘电压 | 250 V AC |
| 额定过电压 | 2.5 kV |
| 使用寿命,电气方面 | 参见曲线图 |
| 测试电压 (转换触点/转换触点) | 2 kVrms (50 Hz,1分钟,转换触点/转换触点) |
| 产品类型 | 单个继电器 |
| 操作模式 | 100%工作因数 |
| 机械寿命 | 约 2x 107次 |
| 产品审核修订 | 02 |
| 最近一次数据维护日期 | 02.05.2024 |
| 污染等级 | 2 |
| 过电压类别 | II |
| 绝缘 | 基础隔离 |
| 宽度 | 21.2 mm |
| 高度 | 27.5 mm |
| 深度 | 35.6 mm |
| 安装位置 | 任意 |
| 螺纹类型 | () |
| 保护等级 | RT I |
| 环境温度(运行) | -40 °C ... 55 °C |
| 环境温度(存放/运输) | -40 °C ... 85 °C |
| 标准/规程 | IEC 60664 IEC 61810 |
| 标识 | ISA-S71.04. G3 Harsh Group EN 60068-2-60 |
| 开关容量 | 2 A (24 V、DC13时) 1 A (240 V、AC15时) 1.5 A (120 V、AC15时) 1.5 A (24 V、AC15时) 0.11 A (250 V、DC13时) 0.22 A (120 V、DC13时) |
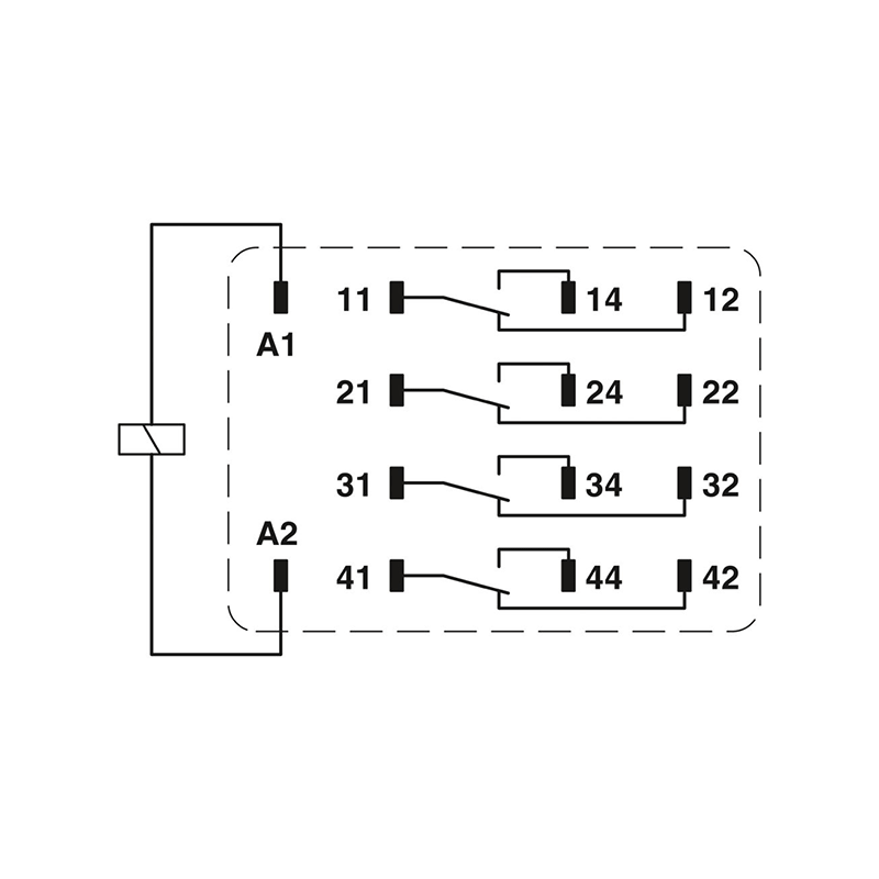
| 触点类型 | 4个PDT |
| 开关触点类型 | 单触点 |
| 触点材料 | AgNi,镀硬质金 |
| 最大切换电压 | 30 V AC 36 V DC |
| 注意事项 | 当超过给出的极限值时,镀金层会被破坏。如继续使用,则适用 大功率继电器的最高值。比起单纯按照功率触点使用,其寿命会 有所减少。 |
| 最低通断容量 | 48 mW |
| 最小切换电压 | 2 V (当24 mA时) |
| 限制连续电流 | 50 mA |
| 最大启动电流 | 50 mA |
| 最小切换电流 | 2 mA (24 V DC) |
| 最大额定功率值(电阻负载) | 1.2 W (24 V DC) |
| 注意事项 | 如镀金层被损坏,则可适用以下数值 |
| 最大切换电压 | 250 V AC/DC |
| 最小切换电压 | 5 V (当24 mA时) |
| 限制连续电流 | 6 A |
| 最小切换电流 | 5 mA (24 V) |
| 最大额定功率值(电阻负载) | 144 W (24 V DC) 1500 VA (可用于250 V AC) 48 W (可用于220 V DC) 52 W (可用于110 V DC) 108 W (可用于60 V DC) 124 W (可用于48 V DC) |
| 触点材料 | AgNi |
| 最大启动电流 | 16 A (20 ms,常开触点) |