
| 额定输入电压 UN | 24 V AC/DC |
| 输入电压范围 | 19.2 V AC/DC ... 26.4 V AC/DC (20 °C) |
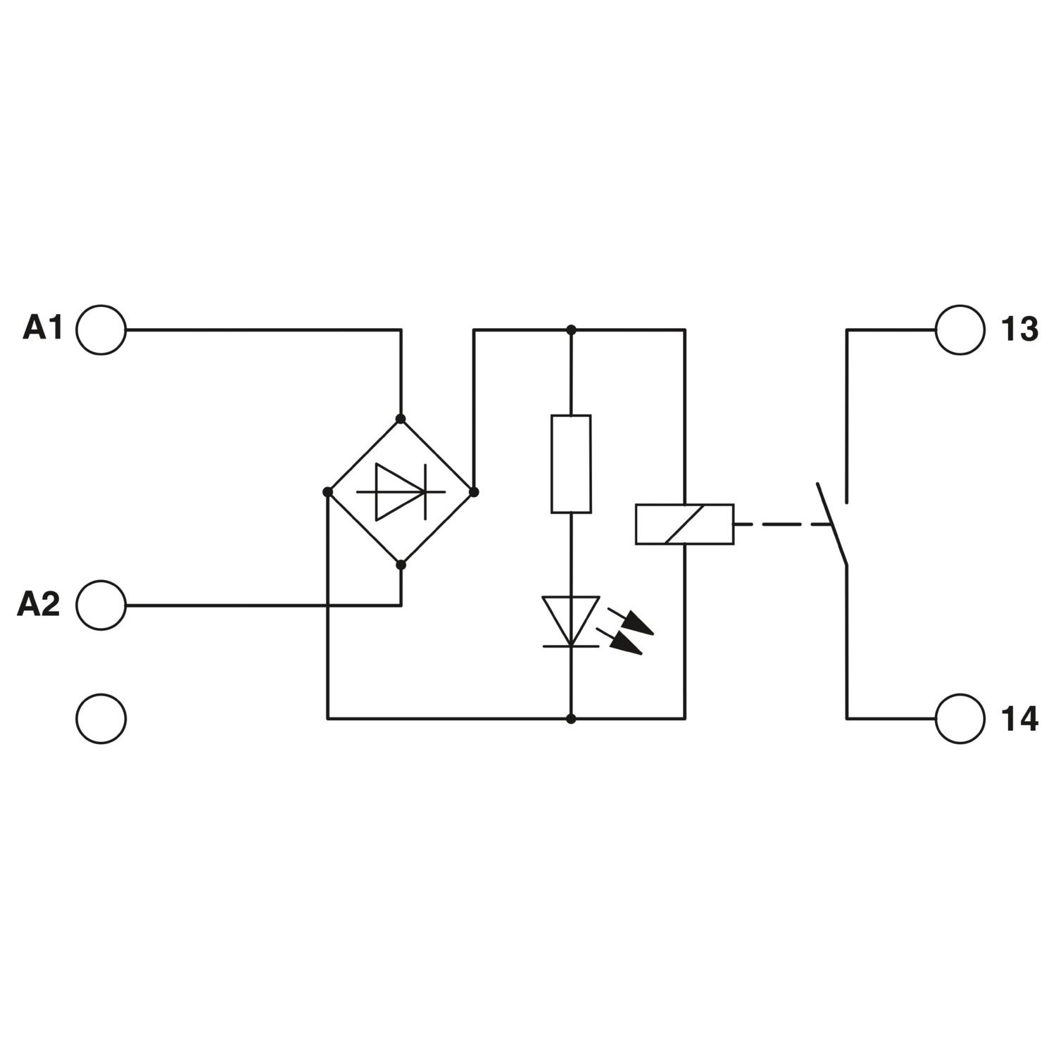
| 驱动和功能 | 单稳态 |
| 驱动(极性) | 极化 |
| 典型响应时间 | 5 ms |
| 保护电路 | 桥式整流器; 桥式整流器 |
| 工作电压显示 | 黄色LED |
| 典型释放时间 | 15 ms |
| UN下的典型输入电流 | 6.5 mA |
| UN下的典型输入电流 | 6.5 mA |
| UN下的典型输入电流 | 6.5 mA |
| 触点类型 | 1个N/O 触点 |
| 开关触点类型 | 双触点 |
| 触点材料 | AgNi,镀硬质金 |
| 最大切换电压 | 250 V AC 125 V DC |
| 剥线长度 | 8 mm |
| 螺纹 | M3 |
| 紧固扭矩 | 0.5 Nm |
| 刚性导线横截面 | 0.2 mm² ... 2.5 mm² |
| 柔性导线横截面 | 0.2 mm² ... 2.5 mm² |
| 连接方式 | 螺钉连接 |
| 可连接导向横截面 AWG | 24 ... 14 |
| 额定条件下的最大功耗 | 0.16 W |
| 测试电压 (线圈/触点) | 2 kV AC (50 Hz,1分钟,线圈/触点) |
| 产品类型 | 继电器模块 |
| 产品系列 | DEK |
| 应用 | 输入功能 |
| 操作模式 | 100%工作因数 |
| 机械寿命 | 约 2x 107次 |
| 产品审核修订 | 18 |
| 最近一次数据维护日期 | 22.05.2024 |
| 污染等级 | 2 |
| 过电压类别 | III |
| 绝缘 | 基础隔离 |
| 宽度 | 6.2 mm |
| 高度 | 80 mm |
| 深度 | 56 mm |
| 安装类型 | DIN导轨安装 |
| 组装说明 | 无间距排列 |
| 安装位置 | 任意 |
| 颜色 | 绿色 (RAL 6021) |
| 环境温度(运行) | -20 °C ... 50 °C |
| 环境温度(存放/运输) | -20 °C ... 70 °C |
| 标准/规程 | IEC 60947-5-1 |
| 最小切换电压 | 0.1 V |
| 限制连续电流 | 3 A (24V DC时,5A,最高35°C) |
| 最大启动电流 | 5 A |
| 最小切换电流 | 1 mA |
| 最大额定功率值(电阻负载) | 72 W (24 V DC) 120 W (24V DC时——最高35°) 750 VA (可用于250 V AC) 50 W (可用于110 V DC) 50 W (可用于60 V DC) 60 W (可用于48 V DC) |