
| 额定输入电压 UN | 230 V AC |
| 输入电压范围 | 195.5 V AC ... 253 V AC (20 °C) |
| 以UN为参考的输入电压范围 | 参见曲线图 |
| 干线频率 | 50/60 Hz |
| 驱动和功能 | 单稳态 |
| 驱动(极性) | 极化 |
| UN下的典型输入电流 | 13 mA |
| 典型响应时间 | 5 ms ... 15 ms |
| 典型释放时间范围 | 5 ms ... 20 ms |
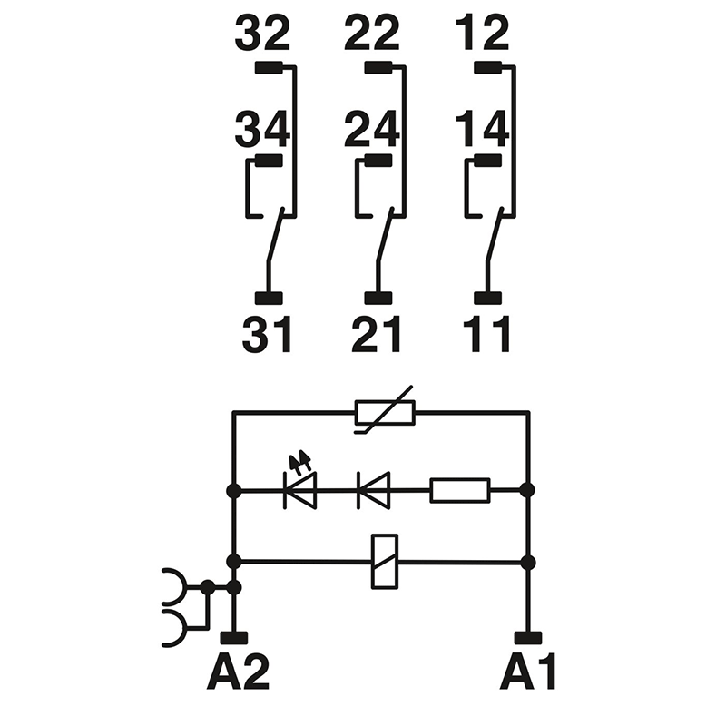
| 线圈电压 | 230 V AC |
| 保护电路 | 压敏电阻 |
| 工作电压显示 | 黄色LED |
| 触点类型 | 3个转换触点 |
| 开关触点类型 | 单触点 |
| 触点材料 | AgNi |
| 最大切换电压 | 250 V AC/DC |
| 最小切换电压 | 10 V (24 mA) |
| 限制连续电流 | 6 A (参见曲线图) |
| 最大启动电流 | 30 A (20 ms,常开触点) |
| 最小切换电流 | 10 mA (24 V) |
| 最大额定功率值(电阻负载) | 144 W (24 V DC) 1500 VA (250 V AC) 48 W (220 V DC) 52 W (110 V DC) 108 W (60 V DC) 124 W (48 V DC) |
| 剥线长度 | 8 mm |
| 刚性导线横截面 | 0.14 mm² ... 1.5 mm² |
| 柔性导线横截面 | 0.14 mm² ... 1.5 mm² 0.14 mm² ... 1 mm² (带塑料绝缘套管的套管,双位端子上有两条 导线) 0.14 mm² ... 1.5 mm² (带塑料套管的冷压头) |
| 连接方式 | 直插式连接 |
| 额定条件下的最大功耗 | 3 W |
| 测试电压 (线圈/触点) | 2.5 kVrms (50 Hz,1分钟,线圈/触点) |
| 测试电压 (触点/触点) | 2 kVrms (50 Hz,1分钟,触点/触点) |
| 额定绝缘电压 | 250 V AC |
| 额定过电压 | 4 kV |
| 产品类型 | 继电器模块 |
| 产品系列 | RIFLINE complete |
| 应用 | 通用 |
| 操作模式 | 100%工作因数 |
| 机械寿命 | 约 2x 107次 |
| 产品审核修订 | 07 |
| 最近一次数据维护日期 | 22.08.2024 |
| 污染等级 | 2 |
| 过电压类别 | III |
| 绝缘 | 基础隔离 |
| 安装类型 | DIN导轨安装 |
| 组装说明 | 无间距排列 |
| 安装位置 | 任意 |
| 螺纹类型 | () |
| 颜色 | 灰色 (RAL 7042) |
| 阻燃等级,符合UL 94 | V2 (外壳) |
| 标准/规程 | IEC 60947-5-1 |
| 标识 | ISA-S71.04. G3 Harsh Group EN 60068-2-60 |
| 环境温度(运行) | -40 °C ... 50 °C |
| 环境温度(存放/运输) | -40 °C ... 85 °C |
| 保护等级 (继电器) | RT I (继电器) |
| 保护等级 (继电器底座) | IP20 (继电器底座) |
| 可连接导向横截面 AWG | 26 ... 16 (刚性) 26 ... 16 (柔性) |
| 使用类别 CB Scheme (IEC 60947-5-1) | AC15, 1.5 A/240 V (N/O触点) DC13, 2 A/240 V (N/O触点) |
| 直径 | 3.2 mm |
| 宽度 | 40 mm |
| 高度 | 103 mm |
| 深度 | 90 mm |