
| 额定输入电压 UN | 24 V DC |
| 输入电压范围 | 19.2 V AC/DC ... 26.4 V AC/DC (20 °C) |
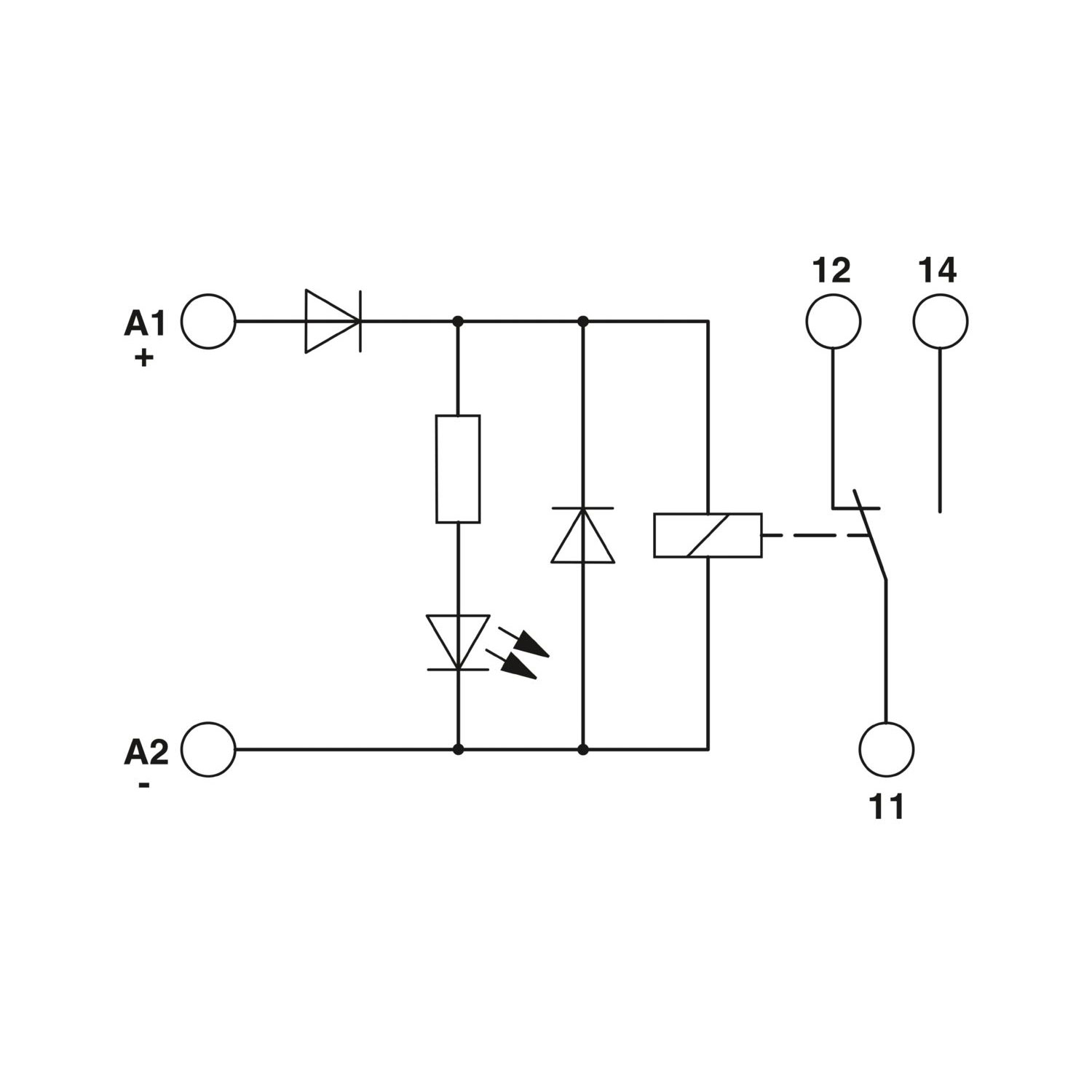
| 驱动和功能 | 单稳态 |
| 驱动(极性) | 极化 |
| 典型响应时间 | 8 ms |
| 保护电路 | 极性保护; 极性保护二极管 备用二极管; 续流二极管 |
| 典型释放时间 | 5 ms |
| UN下的典型输入电流 | 9 mA |
| UN下的典型输入电流 | 9 mA |
| UN下的典型输入电流 | 9 mA |
| 触点类型 | 1 个转换触点 |
| 开关触点类型 | 单触点 |
| 触点材料 | AgSnO |
| 最大切换电压 | 250 V AC/DC |
| 最小切换电压 | 12 V AC/DC |
| 限制连续电流 | 6 A |
| 最大启动电流 | 10 A (4 s) |
| 最小切换电流 | 10 mA |
| 最大额定功率值(电阻负载) | 140 W (24 V DC) 1500 VA (可用于250 V AC) 40 W (可用于220 V DC) 23 W (可用于110 V DC) 18 W (可用于60 V DC) 20 W (可用于48 V DC) |
| 剥线长度 | 8 mm |
| 螺纹 | M3 |
| 紧固扭矩 | 0.5 Nm |
| 刚性导线横截面 | 0.2 mm² ... 2.5 mm² |
| 柔性导线横截面 | 0.2 mm² ... 2.5 mm² |
| 连接方式 | 螺钉连接 |
| 可连接导向横截面 AWG | 24 ... 14 |
| 额定条件下的最大功耗 | 0.22 W |
| 测试电压 (线圈/触点) | 4 kV AC (50 Hz,1分钟,线圈/触点) |
| 额定绝缘电压 | 250 V |
| 额定过电压 | 6 kV |
| 产品类型 | 继电器模块 |
| 产品系列 | DEK |
| 应用 | 通用 |
| 操作模式 | 100%工作因数 |
| 机械寿命 | 约 107 开关次数 |
| 产品审核修订 | 11 |
| 最近一次数据维护日期 | 02.05.2024 |
| 污染等级 | 2 |
| 过电压类别 | III |
| 绝缘 | 安全隔离:控制侧/触点侧 |
| 宽度 | 6.2 mm |
| 高度 | 80 mm |
| 深度 | 56 mm |
| 安装类型 | DIN导轨安装 |
| 组装说明 | 无间距排列 |
| 安装位置 | 任意 |
| 颜色 | 绿色 (RAL 6021) |
| 环境温度(运行) | -20 °C ... 50 °C |
| 环境温度(存放/运输) | -20 °C ... 70 °C |
| 标准/规程 | IEC 60947-5-1 |
| 开关容量 | 2 A (24 V、DC13时) 3 A (230 V、AC15时) 3 A (120 V、AC15时) 3 A (24 V、AC15时) 0.1 A (220 V、DC13时) 0.2 A (110 V、DC13时) |
| 工作电压显示 | 黄色LED |