
| 螺纹 | M3 |
| 紧固扭矩 | 0.6 Nm |
| 刚性导线横截面 | 0.14 mm² ... 1.5 mm² |
| 柔性导线横截面 | 0.14 mm² ... 1.5 mm² |
| 连接方式 | 螺钉连接 |
| 可连接导向横截面 AWG | 26 ... 16 |
| 额定电压 UN | 24 V DC |
| 产品类型 | 测量和控制技术的电涌保护 |
| 产品系列 | SURGETRAB |
| IEC 类别 | C1 C2 C3 D1 |
| 产品审核修订 | 12 |
| 污染等级 | 2 |
| 过电压类别 | III |
| 宽度 | 33.5 mm |
| 高度 | 33.5 mm |
| 深度 | 148 mm |
| 安装类型 | 直接螺钉连接 |
| 颜色 | 钢/不锈钢色 黑色 (RAL 9005) |
| 保护等级 | IP67 |
| 环境温度(运行) | -40 °C ... 85 °C |
| 环境温度(存放/运输) | -40 °C ... 85 °C |
| 海拔 | ≤ 2000 m (amsl) |
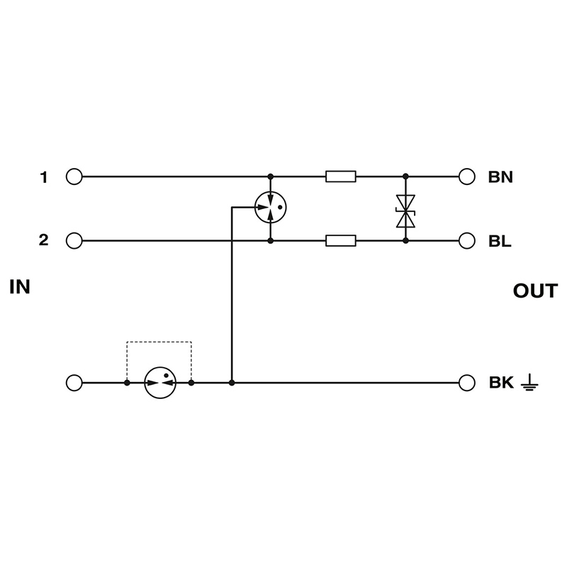
| 操作注意事项 | 在断开桥接时,屏蔽层将自动连接到外壳或参考电位上。 |
| 开口式侧板 | 否 |
| 位数 | 3 |
| 动作方向 | Line-Line & Line-Earth Ground |
| 最大持续电压Uc | 40 V DC 28 V AC |
| 类型 | 保护器可与被保护设备拧接 |
| 每模块的线对 | 1 |
| 外壳材料 | 压铸锌模块,表面镀铜和镍 |
| 额定电流 | 450 mA (55 °C) |
| 残流IPE | ≤ 2 µA |
| 电压保护水平U (线芯-线芯) | ≤ 80 V (C2 - 10 kV / 5 kA) |
| 电压保护水平U (线-地) | ≤ 450 V (C2 - 10 kV / 5 kA) |
| 响应时间tA(线芯-地) | ≤ 100 ns |
| 输入衰减aE,对称。 | 典型值 0.5 dB (≤ 1.5 MHz / 50 Ω) 典型值 0.2 dB (≤ 300 kHz / 150 Ω) |
| 截止频率fg(3 dB),150 Ω 对称系统 | 典型值 2 MHz |
| 每条路径的电阻 | 2.2 Ω ±10 % |
| 电涌保护故障报警 | 无 |
| 需要的最大备用保险丝 | 500 mA (T) |
| 冲击耐受力(线-线) | C2 - 10 kV / 5 kA D1 - 1 kA |
| 冲击耐受力(线-地) | C2 - 10 kV / 5 kA D1 - 1 kA |
| 额定功率脉冲电流lan(10/1000)µs(线芯-线芯) | 23 A |
| 额定功率脉冲电流lan(10/1000)µs(线芯-地) | 100 A |
| 输出电压限值1 kV/µs(线芯-线芯)波峰 | ≤ 55 V |
| 输出电压限值1 kV/µs(线芯-地)波峰 | ≤ 450 V (直接接地) |
| 残压lan(10/1000)µs(导线-导线) | ≤ 65 V |
| 截止频率fg(3 dB),50 Ω 对称系统 | 典型值 6 MHz |
| 输出电压限值1 kV/µs(线芯-线芯)静态 | ≤ 55 V |
| 输出电压限值1 kV/µs(线芯-地)静态 | ≤ 450 V (直接接地) |
| 额定功率脉冲电流lan(10/1000)µs(屏蔽-地) | 100 A |
| 输出电压限值1 kV/µs(屏蔽-地)波峰 | ≤ 600 V (选配) |
| 电压保护水平U (屏蔽-接地) | ≤ 600 V (C2 - 10 kV / 5 kA) |
| 响应时间tA(屏蔽-地) | ≤ 100 ns |
| 冲击耐受力(屏蔽-地) | C2 - 10 kV/5 kA D1 - 1 kA |
| 标准/规程 | IEC 60664-1 / VDE 0110-1 |
| 标准/规格 | IEC 61643-21 |
| 注意事项 | 2002 |
| UC 时,有效工作电流IC | ≤ 10 µA |
| 标称放电电流In (8/20) µs( 线芯-线芯) | 10 kA |
| 额定放电电流In(8/20)µs( 线芯-地) | 10 kA (每路径) |
| 额定放电电流In(8/20)µs( 屏蔽-地) | 10 kA (选配) |
| 脉冲放电电流Iimp(10/350) µs | 1 kA |
| 总放电电流Itotal (8/20) µs | 20 kA |
| 总放电电流Itotal(10/350) µs | 2 kA |
| 最大放电电流Imax (8/20) µs( 线芯-线芯) | 10 kA |
| 最大放电电流Imax (8/20) µs( 线芯-地) | 10 kA (每路径) |
| 最大放电电流Imax (8/20) µs( 屏蔽-地) | 10 kA |
| 残留电压 ln ,(导线-导线) | ≤ 55 V |
| 电压保护水平Up静态(线芯-线芯) | ≤ 50 V (C2 - 10 kV / 5 kA) |
| 响应时间tA(线芯-线芯) | ≤ 1 ns |
| UC 时,有效工作电流IC | ≤ 10 µA |
| 标称放电电流In (8/20) µs( 线芯-线芯) | 10 kA |
| 额定放电电流In(8/20)µs( 线芯-地) | 10 kA (每路径) |
| 额定放电电流In(8/20)µs( 屏蔽-地) | 10 kA (选配) |
| 脉冲放电电流Iimp(10/350) µs | 1 kA |
| 总放电电流Itotal (8/20) µs | 20 kA |
| 总放电电流Itotal(10/350) µs | 2 kA |
| 最大放电电流Imax (8/20) µs( 线芯-线芯) | 10 kA |
| 最大放电电流Imax (8/20) µs( 线芯-地) | 10 kA (每路径) |
| 最大放电电流Imax (8/20) µs( 屏蔽-地) | 10 kA |
| 残留电压 ln ,(导线-导线) | ≤ 55 V |
| 电压保护水平Up静态(线芯-线芯) | ≤ 50 V (C2 - 10 kV / 5 kA) |
| 响应时间tA(线芯-线芯) | ≤ 1 ns |
| UC 时,有效工作电流IC | ≤ 10 µA |
| 标称放电电流In (8/20) µs( 线芯-线芯) | 10 kA |
| 额定放电电流In(8/20)µs( 线芯-地) | 10 kA (每路径) |
| 额定放电电流In(8/20)µs( 屏蔽-地) | 10 kA (选配) |
| 脉冲放电电流Iimp(10/350) µs | 1 kA |
| 总放电电流Itotal (8/20) µs | 20 kA |
| 总放电电流Itotal(10/350) µs | 2 kA |
| 最大放电电流Imax (8/20) µs( 线芯-线芯) | 10 kA |
| 最大放电电流Imax (8/20) µs( 线芯-地) | 10 kA (每路径) |
| 最大放电电流Imax (8/20) µs( 屏蔽-地) | 10 kA |
| 残留电压 ln ,(导线-导线) | ≤ 55 V |
| 电压保护水平Up静态(线芯-线芯) | ≤ 50 V (C2 - 10 kV / 5 kA) |
| 响应时间tA(线芯-线芯) | ≤ 1 ns |